产品中心

TC-TMR1-10H电子式组合式直流互感器
发布时间:2025-01-19 浏览量:177次 来源:本站编辑

电子式组合式电流互感器是基于TMR原理的新一代电流传感器,能测量直流、交流、脉冲以及各种不规则波形的电流。具有精度高、频率宽、响应快、耐压强等优点。

 

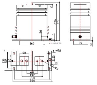
 结构参数:                                         

   

                                                                                                                              

 

技术参数:

 

输出接口示意图: