产品中心

TC-TMR1-10H电子式直流电流互感器
发布时间:2025-01-19 浏览量:81次 来源:本站编辑

电子式交直流通用电流互感器是基于TMR原理的新一代电流传感器,能测量直流、交流、脉冲以及各种不规则波形的电流。具有精度高、频率宽、响应快、耐压强等优点。

 

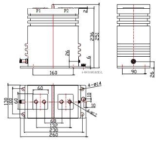
结构参数:

                                                                                                                                                                                                                                                                                                                                                                                                                               

                                                                                                             

 

 

 

 

 

 

技术参数

             

 

输出接口示意图: